HSS-Co Chucking Reamer_Straight Flute
Model:FP_HG
Features
- Ultra-low price allows for reduction in processing costs.
- By applying TiN coating, cutting speed and tool life are more than doubled compared to HSS Reamer.
- Can be processed in a wide range of environments, including drilling machine and machining centers.
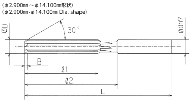
- A wide range of sizes are available, from φ1.000 to φ14.100 in 0.005mm increments, to accommodate any required hole tolerance.
- https://www.fptools.com/product/hss-reamer/hg/

